北极星储能网讯:1月31日,全国31个省市2026年2月代理购电工商业用户电价表已经全部发布。整体趋势来看,31个省市地区2026年2月份代理购电用户电价中,超过60%地区最大峰谷价差环比普遍呈下降趋势。
其中,新疆以57%的降幅领跑,实际峰谷价差已经低至0.017元/Wh,甚至出现了高峰时段电价低于平谷时段价格的反常倒挂现象。无独有偶,宁夏也出现了高峰低于平段的现象。据了解,这是因为用户侧与发电侧的峰谷时段划分不一致,这也正是电力供需不平衡、典型表现,最终导致出现 “峰低谷高” 的反常曲线。
不过,仍有部分地区的峰谷价差在表现上涨趋势,其中以广东各地区涨幅最为显著、不同城市涨幅在14%-21%不等;其余省去则维持在10%以下的增长幅度。
其中,2月峰谷价差最高的三个省区分别为广东1.32元/kWh、四川1.19元/kWh和上海1.189元/kWh。此外还有天津、浙江、湖南、河北、冀北共8个省市最大价差超过1元/kWh,共15省区超过0.6元/kWh。
各地区执行尖峰、深谷电价情况上,进入2月,多数地区已经取消尖峰电价,只有广东、山东、河北、四川(两部制)、湖北继续执行。而深谷电价仅有江西、河北、安徽(两部制)、浙江、山东执行。综合来看,山东、河北维持五段式电价。


河南、贵州新政:峰谷价差再降30%
1月20日,河南发改委发布《关于调整我省工商业分时电价峰谷浮动基数的通知(征求意见稿)》。文件提出,直接参与电力市场交易的用户已不再执行工商业分时电价政策,电网企业代理购电用户执行工商业分时电价的,输配电价不再参与峰谷浮动。
1月22日,贵州发改委印发《关于补充完善峰谷分时电价》的通知,其中明确,自2026年2月1日起,上网电价(交易电价或代理购电价格),上网环节线损费用参与浮动,输配电价(包括输配电量电价和容/需量电价)、系统运行费用、政府性基金及附加不参与浮动。
贵州政策已经于2月1日起正式执行,据统计,与1月相比,受参与浮动费用不同影响,贵州两部制电价的最大峰谷价差骤降30%。而河南政策仍在征求意见阶段,不过据北极星储能网测算,峰谷价差经过调整也将降低超过30%。

往期峰谷电价回顾:
2026年1月全国87%地区峰谷价差同比缩小,11省市超1元/kWh!
20地执行尖峰!湖南环比涨45%!12月全国20地峰谷价差超0.6元/kWh
浙江环比降16%!全国11地峰谷电价差超1元/kWh!
各地代理购电工商业用户电价详情:
北京


上海


广东





深圳


江苏

浙江



福建

天津

湖南

河北




河南

湖北

安徽

山东

山西

黑龙江

吉林

辽宁

四川


重庆

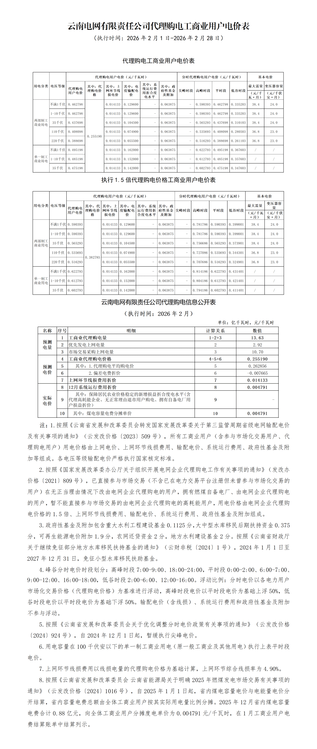
云南

贵州


内蒙古

蒙西

江西

陕西


广西


甘肃

宁夏

青海

新疆

海南

发表评论