作者:李世春 1,2 谢佳宏 1,2 刘浩斌 1,2衷传州 1,2汤鑫洋 1,2王秋杰 1,2
单位:1. 三峡大学电气与新能源学院 2. 梯级水电站运行与控制湖北省重点实验室(三峡大学)
引用本文:李世春, 谢佳宏, 刘浩斌, 等. 基于蓄电池与变速抽水蓄能混合储能的电网调频协同控制策略[J]. 储能科学与技术, 2025, 14(11): 4277-4288.
DOI:10.19799/j.cnki.2095-4239.2025.0475
本文亮点:针对变速抽蓄机组导叶调节速率受限和导叶动作初期功率负调引起的频率恶化问题,构建了包含变速抽蓄机组在内的频率响应模型,提出了蓄电池协同变速抽水蓄能机组的调频策略,设计了基于导叶开度的蓄电池调频系数自适应设置方法
摘 要 变速抽水蓄能机组并网能有效改善高比例新能源电力系统的频率稳定性,但其调频能力因水泵水轮机导叶动作迟缓和功率负调现象的存在而受到一定制约。为了进一步提升电网调频能力,针对变速抽水蓄能机组导叶调节速率受限和导叶动作初期功率负调引起的频率恶化问题,考虑到蓄电池储能的快速响应能力,提出一种蓄电池储能协同变速抽水蓄能机组的混合储能调频控制策略。首先,构建了包含变速抽蓄机组在内的动态频率响应模型,揭示了导叶调节速率和功率负调对频率特性的影响机理。然后,设计了基于导叶开度的蓄电池调频系数自适应设置方法,通过定义导叶动作系数,建立蓄电池储能调频系数与导叶开度的联系,使蓄电池储能调频出力根据导叶开启程度自适应调节,实现蓄电池储能与变速抽蓄机组调频过程中出力大小的平缓过渡。最后,建立了包含变速抽水蓄能机组的MATLAB/Simulink仿真模型,验证了控制策略的有效性。结果表明,所提协调控制策略能有效弥补水泵水轮机迟缓的功率响应,补偿导叶动作引起的功率负调并提升系统频率特性,缓解风电机组并网导致的频率特性恶化问题。
关键词 变速抽水蓄能机组;蓄电池储能;导叶控制;功率负调;协调控制
在“双碳”目标的政策引导和新型电力系统理念的双重驱动下,电网中新能源渗透率不断提升,导致具有传统调频特性的同步机组发电占比日益降低,系统调频能力逐渐削弱,电力系统面临愈发严峻的频率稳定问题。
近年来,国家大力推进抽水蓄能电站规划建设为解决上述问题提供了契机。变速抽水蓄能机组以转速灵活可调、效率高等特点,在参与系统削峰填谷、调频调压等方面发挥了重要作用。目前,有关变速抽水蓄能方面的研究,国内已经取得了一些成果,文献[5]提出了一种柔性控制策略,解决了变速抽水蓄能水泵水轮机与变流器响应速度不匹配导致的工况转换困难问题;文献[6]分析了抽水蓄能机组控制参数对频率调节的影响,基于改进粒子群算法,实现了不同频率状态下的参数调节。变速抽蓄机组控制策略分为转速优先控制与功率优先控制,后者电磁功率由变流器直接控制,通过释放/吸收转子动能参与惯性响应,具有更快速的功率响应能力,但为维持机组效率最优,转子转速因运行条件的不同(水头、扬程等)而发生变化,导致机组惯性响应能力具有不定性。在惯性响应后,实际是由水泵水轮机提供持续稳定的调频功率,并承担着转子转速恢复任务,但水泵水轮机导叶受机械机构的控制,其调节速度较为迟缓,导致功率响应速度难以应对调频时系统的功率需求,且发电工况下,水流管道中由于水流惯性的存在,导叶开始动作时,水流调节速度较慢,致使管内水压降低,使得水泵水轮机出力会先向反方向进行调节,引起功率负调,进而加剧系统功率失衡。此外,导叶调节速度越快,输水管道中水流惯性作用就越强烈,机组产生的功率负调量将会更大,文献[13]通过仿真指出水泵水轮机导叶调节速度与机组功率负调量成正比关系。文献[14]通过优化调速器增益,在保证导叶调节速度不过度降低的前提下,减少了功率负调量,但此方法以牺牲功率响应速度为代价,导致调频性能变差。因此,导叶调节速率除受机械机构动作的制约外,同时也受限于功率负调量的大小。针对上述问题,目前亟需找到一种兼顾水泵水轮机功率响应速度与功率负调量的调频控制方法。
混合储能系统旨在结合不同类型储能响应特性上的优势,使调频设备能在不同时间尺度上参与系统频率调节,文献[16]将飞轮和锂电池组合为混合储能,并提出一种基于线性分解的频差分配方法,以充分发挥两种储能的优势,所提策略能有效降低光伏预留备用容量,提高光伏发电经济性。文献[17]针对风功率波动引起的频率问题,在风机侧增设蓄电池与超级电容组成的混合储能系统,使风电机组具有了类似同步机的一次调频能力。上述混合储能研究在促进系统频率稳定方面均取得了积极效果,借鉴上述经验,通过构建包含变速抽水蓄能在内的混合储能系统,有望在解决水泵水轮机调频问题的同时,进一步提升系统频率调节能力。
蓄电池储能具有较快的功率响应速度,但要提供长时、充足的功率支撑,需要进一步加大储能规模,经济效益较差,变速抽蓄机组水泵水轮机功率响应速度较慢,但可通过调节导叶开度实现持久的功率输出,两者在响应特性上可实现优势互补。鉴于此,本研究利用蓄电池储能协调变速抽水蓄能机组参与调频,针对水泵水轮机调频功率响应迟缓和导叶动作初期的功率负调问题,建立了包含变速抽蓄机组在内的动态频率响应模型,提出了基于导叶开度的蓄电池调频系数自适应设置方法,利用蓄电池的快速功率响应能力协调水泵水轮机参与频率调节,并补偿导叶动作初期的负调功率,实现蓄电池与变速抽水蓄能机组出力大小的平缓过渡。最后借助MATLAB/Simulink仿真软件验证了所提控制策略的有效性。
1 混合储能系统拓扑结构及模型
1.1混合储能系统拓扑结构
在火电机组逐步退役、风电等新能源渗透率不断提升的电网背景下,系统对储能设备的调频能力要求愈发苛刻,通过将蓄电池与变速抽水蓄能机组组合为混合储能系统,利用蓄电池储能协调变速抽水蓄能机组参与调频,在解决变速抽水蓄能机组水泵水轮机调频问题的同时,能有效提升电网频率稳定性,缓解风电并网导致的频率特性恶化问题。含混合储能的电网拓扑结构如图1所示。

图1 含混合储能的电网拓扑结构
1.2可逆水泵水轮机模型
变速抽水蓄能机组可根据电网实际情况运行在发电模式或抽水模式,当电网需要抽水蓄能机组提供能量时,可逆水泵水轮机以水轮机模式运行,其数学模型为:
![]() | (1) |
式中,H、Hs、Hl分别为水轮机有效水头、静态水头和水头损失;Q、g、Tw分别为水轮机模式下管道中的流量、导叶开度和水锤惯性常数;fe为水头损失系数;Pmd为水轮机功率;ηt为水轮机效率。
当变速抽水蓄能机组运行在抽水模式时,水泵水轮机模型可表示为:
![]() | (2) |
式中,hp、hs、hl分别为水泵的动态扬程、静态扬程和扬程损失;Qp、Pmp、ωr分别为水泵模式下管道中的流量、水泵功率和水泵转速;b0、b1、b2为多项式系数;ηp为水泵效率。
其中扬程损失可表示为:
![]() | (3) |
式中,fp为扬程损失系数。
1.3变速抽蓄机组导叶控制与分析
变速抽水蓄能机组实际运行过程中,水头或扬程的变化较为频繁。当偏离了额定水头或扬程时,机组效率将会下降。水泵水轮机通过转速/导叶开度寻优模块,计算出最优的转速或导叶开度,经导叶伺服机构动作,使水泵水轮机在不同的水头或扬程下时刻保持最优效率运行。文献[19]对导叶/转速的寻优过程进行了线性化近似,分别表示为:
![]() | (4) |
式中,gref、ωref、Pref分别为最优导叶开度、最优转速和有功功率指令值。
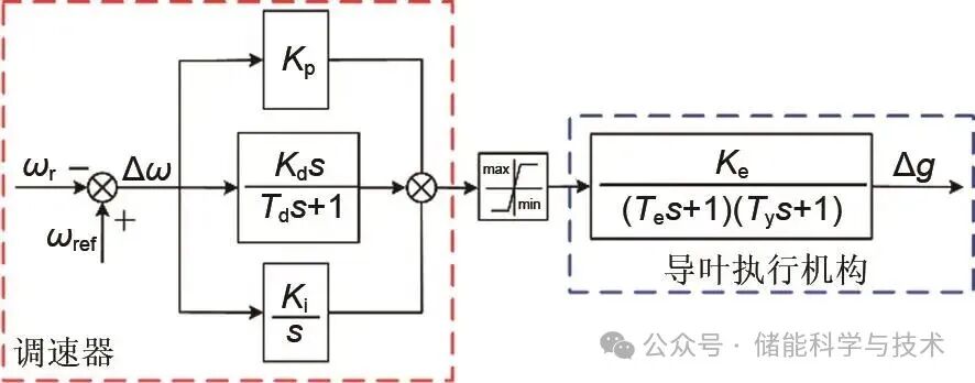
水泵水轮机机械功率可通过调节导叶开度进行控制,导叶控制部分主要由调速器和导叶执行机构组成。调速器将最优转速与实际转速作差并整定为导叶信号,输出给叶执行机构,通过执行机构调节导叶开度改变机组转速和机械功率,调速器通常采用比例-积分-微分(PID)调速器,其传递函数如式(5)所示:
![]() | (5) |
式中,Kp、Ki、Kd分别为PID调速器的比例、积分、微分增益;Td为调速器微分衰减时间常数。
调速器输出导叶开度信号后,经导叶执行机构(开度调节器和导叶伺服机构)调节导叶开度大小,控制框图如图2所示。

图2 导叶控制部分控制框图
图中,Ke为导叶调节环节的比例系数;Te、Ty分别为导叶调节器和导叶开度伺服系统的时间常数,描述了导叶执行机构在动作过程中响应速度的迟滞性。
水泵水轮机导叶开度的改变会直接影响管道流量的大小,进而改变水泵水轮机输出功率,水泵水轮机输出功率变化量可用导叶开度表示:
![]() | (6) |
式中,ΔPmd和Δg为水泵水轮机输出功率变化量和导叶开度变化量。
建立如图3所示包含变速抽水蓄能机组、火电机组和蓄电池储能的系统频率响应模型,蓄电池动态响应过程等效为一阶滞后环节。其中,变速抽水蓄能机组导叶开度指令Δg,经调速器生成的最优导叶开度Δgref和附加导叶开度指令Δg′叠加后,由导叶执行机构生成。该图中,FH为再热器增益,TR、TC和Tb分别为再热器时间常数、汽轮机主进气时间常数和蓄电池储能响应时间常数,Rp为调差系数,K1为蓄电池调频系数,H和D分别为系统的惯性时间常数和等值阻尼系数,ΔPms、ΔPmb和ΔPmd分别为火电机组、蓄电池储能和变速抽水蓄能机组水轮机的功率输出变化量。

图3 系统频率响应模型
当系统发生功率扰动ΔPL时,变速抽水蓄能水泵水轮机通过调节导叶开度,产生机械功率增量响应系统频率变化,其中,导叶开度变化量为:
![]() | (7) |
式中,Δωr为变速抽蓄机组实际转速与参考转速的偏差;K2为导叶调频系数;kp和ki为导叶附加控制的比例积分系数。
由图3可知,系统频率响应表达式为:
![]() | (8) |
当导叶开度变化时,水泵水轮机输出功率会暂时向反方向调节,发生功率负调,即ΔPmd反调。式(6)分子中的负号则从数学角度体现了该负调现象。功率负调期间,式(8)分子中的功率不平衡量将进一步增大,且由于水泵水轮机调频功率响应速度较为缓慢,导致功率不平衡阶段持续时间延长,从而加重了频率恶化程度。通过增设蓄电池储能协调变速抽蓄机组参与频率调节,利用其快速释放的能量,能有效弥补水泵水轮机滞后的功率响应和导叶动作初期的功率负调,进一步提升系统频率特性。
2 蓄电池储能与变速抽蓄机组协调调频控制策略
2.1蓄电池储能与变速抽蓄机组调频控制
变速抽水蓄能机组采用功率优先控制时,电磁功率由变流器直接控制,转速/导叶由水力机械部分参与调节。然而,变流器的存在使发电机与外部系统解耦,导致机组无法感知系统频率变化,通过在变流器控制外环施加频率微分控制,可使变速抽蓄机组具备频率调节的能力,功率优先控制策略下变速抽蓄机组的控制模型如图4所示。

图4 基于功率优先控制的变速抽蓄机组控制框图
通过将频率的微分信号整定为变速抽蓄机组附加的功率指令,在系统频率发生变化时,发电机转子动能相应发生改变,为系统提供惯量支撑并抑制频率变化,附加频率微分控制如式(9)所示:
![]() | (9) |
式中,Kdf为微分控制增益;f为系统频率。
蓄电池储能响应速度较水泵水轮机快,在发生扰动时能先于水泵水轮机参与调频,为充分利用蓄电池这一特性,除在功率外环加入频率微分控制外,同时引入频率偏差信号,实现蓄电池对频率变化率与偏差的全面调节,其控制如式(10)所示:
![]() | (10) |
式中,Kbf、K1分别为蓄电池惯性增益和调频系数;Δf为系统频率偏差。
变速抽水蓄能机组通过调节转速到最优转速,以适应不同水头和功率下的最优效率运行,惯性响应过程中随着转速逐渐降低偏离最优转速,导致:①随着转速偏离最优转速,机组效率不断降低,一定程度抑制了惯性能量的释放;②转速降低越多,转速恢复过程时间越长,会降低惯性响应阶段后系统的调频效果;③转速过低会加速轴承磨损,影响机组寿命。因此,为避免转子转速过度降低,将变速抽水蓄能机组微分增益设置为:
![]() | (11) |
转子减少的惯性能量由蓄电池补偿,蓄电池微分增益设置为:
![]() | (12) |
式中,Kdfbe和Kbfbe为变速抽蓄机组和蓄电池的微分增益基准值。
2.2基于导叶开度的蓄电池调频系数自适应设置方法
在电网发生功率扰动时,为使水泵水轮机能够响应系统频率变化,通过在原有的导叶开度信号上叠加由频率偏差整定得到的附加导叶开度指令,将水泵水轮机出力与系统频率耦合,使水泵水轮机能自发参与频率调节,其控制结构如图5所示。

图5 变速抽水蓄能机组附加导叶调频控制
将导叶开度与系统频率建立关系后,水泵水轮机能在系统频率发生扰动时自发响应,参与系统频率调节,但并未改变导叶受机械力矩控制的本质,由于导叶控制受机械部件驱动,其响应速度较慢,使机组难以快速地参与频率调节,且导叶动作初期,水泵水轮机出力会先向反方向调节,加剧频率恶化。为了削弱水泵水轮机调频响应速度迟缓和功率负调带来的负面影响,利用蓄电池储能协调变速抽水蓄能水泵水轮机参与调频,一方面利用蓄电池快速释放的能量弥补水泵水轮机较慢的功率响应,在提高系统调频能力的同时为导叶动作争取时间,另一方面,蓄电池释放的能量能够进一步补偿导叶动作引起的功率负调,降低负调功率带来的频率恶化风险。两者共同参与调频的控制框图如图6所示。

图6 混合储能协调调频控制框图
传统的蓄电池调频系数设置方法通常与储能荷电状态(state of charge,SOC)建立联系,使储能出力随荷电状态的改变进行调整,这类方法虽然能有效避免储能过放过充,但蓄电池的调频功率却不能较好适应不同时刻系统的功率需求,因此本研究将蓄电池调频系数与能反映水泵水轮机出力的导叶开度关联,在混合储能系统参与调频初期,水泵水轮机调节导叶开度达到指令值需要时间,此时采用蓄电池承担主要的调频出力,随着导叶开度逐渐达到设定值,系统调频主力由蓄电池逐渐过渡到水泵水轮机,由水泵水轮机提供持续的功率调节。首先,定义导叶开度动作系数为:
![]() | (13) |
式中,gref、g分别是导叶开度指令值和实测值;α可衡量导叶开启程度,由导叶调节初期的初始值α0逐渐减小到0,且其值越小说明导叶开度越接近指令值。
调频初期,由于导叶调节速度较慢,式(13)分子较大,导叶开度调节程度较小(α较大),此时设置较大的蓄电池调频系数,使蓄电池尽可能释放/吸收能量减小导叶动作较慢和机械功率负调所带来的频率恶化影响,随着导叶开度逐渐达到设定值(α减小),水泵水轮机调频功率逐渐增大/减小,此时使蓄电池调频系数逐渐减小,由水泵水轮机主要参与调频,调频出力实现由蓄电池向水泵水轮机的平滑过渡。参考平滑性较好的logistic函数,蓄电池调频系数分以下两种情况进行设置:
(1)当蓄电池处于放电状态时,为了避免蓄电池过放,荷电状态达到最低限值时,将调频系数设置为零,使蓄电池停止放电。
![]() | (14) |
(2)当蓄电池处于充电状态时,为了避免蓄电池过充,荷电状态达到最高限值时,将调频系数设置为零,使蓄电池停止充电。
![]() | (15) |
式中,K1、Kmax为蓄电池的调频系数和最大调频系数;SOCe、SOCmax、SOCmin分别为蓄电池实时荷电状态、荷电状态上限和荷电状态下限;μ和m为自带系数,分别取0.01和13;α0为导叶开度动作系数初始值,其一定程度上反映了系统扰动程度大小。若扰动程度较小,则机组整合出的导叶开度指令值gref越接近导叶开度初始值g,由式(13)可以看出,α0也较小。上述参数设置方法可以根据α0的大小生成对应的参数设置曲线,以使所提蓄电池调频系数设置方法在不同程度的扰动下均能起到良好的协调效果,蓄电池调频系数对应曲线如图7所示。

图7 蓄电池调频系数变化曲线
变速抽水蓄能导叶开度调频系数设置如式(16)、式(17)所示,分为蓄电池充电和放电两种情况:
(1)蓄电池处于放电状态时,导叶调频系数随着蓄电池荷电状态的降低而不断增加,逐渐取代蓄电池参与频率调节。
![]() | (16) |
(2)蓄电池处于充电状态时,导叶调频系数随着蓄电池荷电状态的增加而不断增加,逐渐取代蓄电池参与频率调节。
![]() | (17) |
式中,kmax为导叶开度最大调频系数;λ为自适应系数。
由式(13)和图7可知,上述所提方法能够灵活适应不同的扰动场景,最大程度降低频率特性恶化程度。以负荷突增为例,主要表现在:①当系统功率缺额增加,寻优模块将整合出更大的导叶开度指令值,以提供更强劲的功率支撑,即式(13)中的gref更大,因此引起α增大,由图7可看出,此时所提策略会使蓄电池调频系数自适应增大,以进一步抑制功率缺额增加引起的频率跌落。②功率负调现象发生在导叶动作初期,此时导叶开度实测值与指令值相差最大,导叶动作系数α最大,对应这一过程最大的蓄电池储能调频系数,蓄电池储能对功率负调的补偿效果最强。
3 仿真分析
为验证所提调频策略的有效性,在MATLAB/Simulink中搭建含风电的仿真模型,如图8所示。该系统包含一台容量为400 MW的火电机组G1;两个总容量为75 MW的风电场W1、W2,考虑到目前国内并网的风电机组主要是基于跟网型变流器控制模式,故仿真算例中的风电机组均设置为跟网型风电机组,该控制方式下风电机组一般不具备频率支撑能力[22],由同步机组和储能设备承担调频任务;一台容量为150 MW的变速抽水蓄能机组G2和5 MW/1 MWh的蓄电池组B1。L1、L2分别是容量为100 MW、200 MW的固定负荷,L3为扰动负荷,仿真算例中具体的模型参数见表1。

图8 仿真系统接线图
表1 仿真模型参数
3.1负荷突增下的系统频率特性仿真分析
在系统稳定运行50 s时通过设置负荷L3(48 MW)接入算例系统,模拟负荷突增扰动,在变速抽蓄机组分别处于发电、抽水工况下,仿真比较变速抽蓄机组无控制(图中为Method1)、变速抽蓄机组采用图4所示传统控制(图中为Method2)、本研究所提混合储能协调控制(图中为Method3)下系统的频率响应特性,仿真结果分别如图9、图10所示。

图9 发电工况下系统仿真波形

图10 抽水工况下系统仿真波形
由图9(a)和图10(a)可知,在面临负荷突增扰动时,本研究所提协调控制策略在抽水蓄能机组抽水和发电工况下对于延缓频率下降、抑制频率最低点加深和提高稳态频率大小方面均能发挥积极作用,而变速抽水蓄能机组无控制时,由于机组不具有感知系统频率变化的能力,在模拟负荷扰动后,导叶开度与输出功率保持不变,系统频率特性最差。发电工况下,本研究控制相较于机组传统控制和无控制,频率最低点分别提升了0.034 Hz和0.049 Hz,稳态频率点分别提升了0.026 Hz和0.031 Hz,抽水工况下频率最低点分别提升了0.03 Hz和0.054 Hz,稳态频率点分别提升了0.031 Hz和0.036 Hz。而处于发电工况时,传统控制下频率最低点相比无控制提升效果不佳,仅提升0.015 Hz,这是由于在该控制下,导叶动作初期机组发生功率负调,进而使功率缺额进一步增加,导致频率最低点提升效果不明显。此外,由图9(b)可以看出,传统控制下由于导叶动作较慢和功率负调现象的存在,负荷扰动后变速抽蓄机组水泵水轮机输出功率特性较差,而在引入蓄电池协调导叶开度参与调频后,调频初期蓄电池释放的能量能有效补偿功率负调,且在随后时间里显著提升了系统的调频功率响应速度,提供了相比传统控制更为强劲的功率支撑,并为后续导叶动作参与调频争取时间。在调频后期,导叶开度逐渐达到指令值并承担主要调频任务,本研究控制下导叶开度稳态值和调频功率稳态值均高于传统控制。
3.2不同风电渗透率下频率特性仿真分析
风电渗透率升高将增大系统频率恶化程度,为了进一步验证本研究所提控制策略在不同的风电渗透率下系统频率的改善效果,在风电渗透率分别为10%、20%、30%时设置同一负荷扰动仿真分析变速抽蓄机组无控制(图中为Method1)、传统控制(图中为Method2)、本研究混合储能协调控制(图中为Method3)下系统的频率特性,频率曲线如图11所示。

图11 不同风电渗透率下系统频率曲线
由图11可以看出,系统频率最低点和稳态点随着风电渗透率的增大而不断降低,进一步反映了风电并网对电网频率特性的恶化影响。通过实施合理的调频策略能有效抑制系统频率恶化,并促进风电消纳。
以发电工况为例,表2列出了在不同风电渗透率下变速抽蓄机组处于无控制、施加传统控制和本研究控制时的系统频率最低点大小和频率稳态点大小。可以看出,随着风电渗透率不断增加,系统频率最低点和频率稳态点均呈现出恶化趋势。在变速抽蓄机组无控制时,3种风电渗透率(10%、20%、30%)下频率最低点分别为49.77 Hz、49.57 Hz和49.26 Hz,稳态频率点分别为49.87 Hz、49.73 Hz和49.51 Hz,而在施加了本研究混合储能协调控制后,系统频率最低点和稳态点均得到了明显提升,频率最低点分别提升了0.05 Hz、0.08 Hz和0.11 Hz,频率稳态点提升了0.04 Hz、0.06 Hz和0.09 Hz。
表2 发电工况下不同风电渗透率场景的频率特性
当风电渗透率达到30%时,系统整体频率调节能力显著降低。在此情况下,导叶动作引发的功率负调对频率的影响更加显著,在表2中,传统控制下频率最低点比无控制低了0.05 Hz正是由该原因导致。而在采用了本研究控制策略后,蓄电池储能释放的能量能及时补偿功率负调量,提升调频功率响应速度,抑制频率再度恶化,相比传统控制与无控制,频率最低点分别提升了0.016 Hz和0.011 Hz。且在3种不同水平的风电渗透率场景下,本研究所提控制方法均能有效提升系统的频率最低点和稳态点,缓解风电并网导致的电网调频能力不足的问题,提升风电并网场景下系统的频率特性,促进风力资源开发。
4 结论
针对变速抽水蓄能水泵水轮机功率响应迟缓和导叶动作初期的功率负调问题,考虑到蓄电池储能的快速响应能力与水泵水轮机的调频持久性,提出一种蓄电池储能协同变速抽水蓄能机组的混合储能调频控制策略,并得出如下结论:
(1)通过将蓄电池调频系数与导叶开度建立联系,蓄电池释放的能量能有效弥补水泵水轮机较慢的功率响应,补偿导叶动作时的功率负调量,使蓄电池随着导叶开度达到指令值而逐渐退出调频,实现两者调频出力的平滑过渡。
(2)导叶动作初期,此时导叶开度动作系数最大,根据本研究控制方法,蓄电池储能将响应更大的调频功率,以进一步补偿导叶动作引起的功率负调,抑制频率特性恶化。
(3)本研究所提控制策略在不同风电渗透率场景下,均能有效提升系统受扰时的频率最低点和稳态频率点,缓解风电并网导致的调频能力不足的问题,降低系统发生频率扰动时的失稳风险,并促进风力资源消纳。
第一作者:李世春(1984—),男,博士,副教授,研究方向为含新能源电力系统运行与控制;
通讯作者:谢佳宏,硕士,研究方向为含新能源电力系统运行与控制。

















发表评论