3月6日,华北能源监管局发布关于征求“蒙西电力调频辅助服务交易实施细则”意见的函,文件指出,本细则所指的调频辅助服务,是指市场经营主体通过自动功率控制(APC),跟踪电力调度机构下达的指令,按照一定调节速率实时调整发用电功率,满足电力系统频率、联络线功率控制要求的服务。自动功率控制(APC)是自动发电控制(AGC)在传统发电机组基础上继续向可调节负荷侧延伸发展,涵盖了原有的发电机组AGC技术内涵,拓展至源网荷储各环节并网主体控制单元。
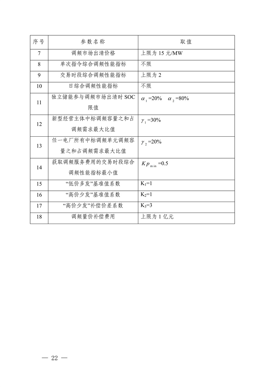
文件还指出,调频量价补偿费用按照“日清月结”方式进行结算,现阶段,补偿费用规模上限为1亿元。补偿费用达上限后,按照补偿上限进行补偿和分摊,各机组补偿费用等比例进行缩减,分摊总费用按照补偿上限进行计算。调频量价补偿费用由省调直调公用煤电机组、风电场、光伏电站、独立新型储能电站按照月度上网电量比例进行分摊,扶贫项目不参与分摊。
原文如下:
华北能源监管局关于征求“蒙西电力调频辅助服务交易实施细则”意见的函
内蒙古电力(集团)有限责任公司,相关市场主体:
为进一步深化蒙西电网电力调频辅助服务市场建设,充分运用市场手段引导各类市场主体参与电力调频辅助服务市场,保障电网安全可靠运行,我局修订完善了《蒙西电力调频辅助服务交易实施细则》(简称《规则》)。
现将《规则》网站公示,请有关单位研提意见,并于4月2日(星期四)17:00前将意见建议反馈至我局联系人邮箱。
联系人:吕梁俊超 010-88072971 lvljc@nea.gov.cn
附件:蒙西电力调频辅助服务交易实施细则
国家能源局华北监管局
2026年3月6日






















发表评论